Nexperia prezentuje nową serię kontrolerów USB Type-C i USB Power Delivery (USB PD), przeznaczonych do projektowania ładowarek sieciowych i samochodowych oraz powerbanków o mocy od 18 do 140 W na rynek elektroniki konsumenckiej. Dzięki ich wprowadzeniu, firma staje się jedynym producentem półprzewodników, oferującym pełen zestaw komponentów niezbędnych do realizacji zasilaczy w tym przedziale mocy wyjściowych, upraszczając łańcuchy dostaw i skracając czas wprowadzania nowych produktów na rynek.
NEX52041 i NEX52080 zostały wyposażone w mikrokontroler z pamięcią MTP-ROM o pojemności odpowiednio 16 KB i 32 KB, zapewniający dużą elastyczność projektową. Pozwala on na wdrażanie funkcji dostosowanych do wymagań producenta oraz aktualizację oprogramowania firmware w celu zachowania zgodności ze stale ewoluującymi standardami USB.
Oba kontrolery zapewniają kompatybilność z różnymi protokołami ładowania, nie tylko z USB PD, ale też z popularnymi protokołami szybkiego ładowania, opartymi na liniach danych D+/D−. Pozwala to na szybkie ładowanie smartfonów, laptopów i innych urządzeń przenośnych, zarówno nowych, jak i starszych.

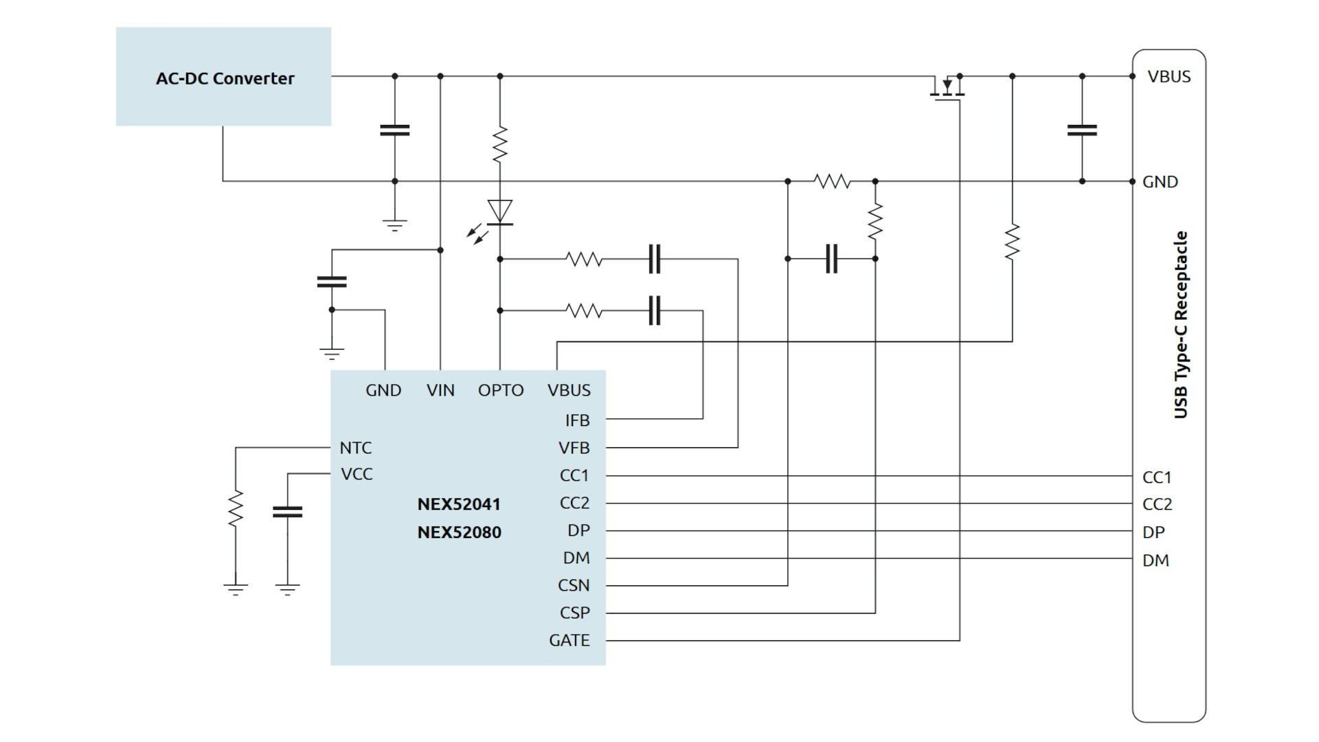
NEX52041 i NEX52080 obsługują pojedynczy port USB PD. Są dostępne w małogabarytowych obudowach QFN-16 i QFN-24, oferujących wystarczającą liczbę programowalnych linii GPIO i interfejsów I²C. Ułatwia to integrowanie ich z innymi układami i zarządzanie zasilaniem w konstrukcjach wieloportowych przy efektywnym wykorzystaniu źródła zasilania.
W przeciwieństwie do kontrolerów z oferty innych producentów, wymagających dodatkowych zewnętrznych komponentów ochronnych, NEX52041 i NEX52080 są odporne na przepięcia do 30 V. Zwiększa to niezawodność całego systemu, jednocześnie ograniczając liczbę zastosowanych podzespołów. Obsługa sterowania w pętli zamkniętej ze stałym napięciem (CV) i stałym prądem (CC), pozwala na współpracę z konwerterami DC/DC lub AC/DC z optoizolacją. Projektanci mogą łatwo łączyć kontrolery USB PD z oferty Nexperia z jej własnymi konwerterami AC/DC, tranzystorami MOSFET i GaN HEMT oraz elementami ochronnymi TVS/ESD.

Więcej na: www.nexperia.com