Kompatybilność elektromagnetyczna zasilaczy impulsowych

Kompatybilność elektromagnetyczna urządzenia oznacza, że nie jest ono źródłem zaburzeń, które mogłyby wpływać na działanie innych urządzeń, a równocześnie jest odporne na zaburzenia z zewnętrznych źródeł. By ją zapewnić, stosuje się specjalne rozwiązania konstrukcyjne. Są one wymagane na przykład w przypadku zasilaczy impulsowych.

Posłuchaj
00:00

Zasilacze impulsowe są punktem wejścia dla zaburzeń z zewnątrz, a zarazem punktem ich wyjścia, za pośrednictwem którego są one przekazywane do obciążenia. Same zasilacze również są źródłami zaburzeń. Te nie tylko płyną przez linie zasilające jako przewodzone, ale są wypromieniowywane. W związku z tym bez odpowiednich rozwiązań konstrukcyjnych zasilacze impulsowe nie mogłyby spełniać swojej funkcji. Wybrane sposoby zapewnienia ich kompatybilności elektromagnetycznej to: wykorzystanie filtrów sieciowych, kondensatorów bocznikowych i koralików ferrytowych.

Filtry sieciowe

Można wyróżnić dwa typy zaburzeń przewodzonych: symetryczne (różnicowe) oraz asymetryczne (wspólne). Te drugie propagują we wszystkich liniach w tym samym kierunku, kierując się do ziemi. Zaburzenia różnicowe natomiast występują między dwoma dowolnymi liniami układu (rys. 1).

Rys. 1. Zaburzenia przewodzone różnicowe i wspólne

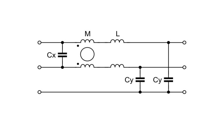
Aby ograniczyć zaburzenia przewodzone różnicowe i wspólne, płynące z i do zasilacza oraz z i do sieci zasilającej, wykorzystuje się filtry sieciowe (przeciw zakłóceniowe). Instaluje się je pomiędzy siecią a zasilaczem. Są one zbudowane z odpowiednio połączonych elementów pasywnych: cewek i kondensatorów. Przykład filtru sieciowego z dławikiem i kondensatorami Cx i Cy przedstawiono na rysunku 2.

Rys. 2. Filtr sieciowy

Częścią filtrów przeciwzakłóceniowych jest dławik skompensowany prądowo. Wykonuje się go, nawijając dwa takie same uzwojenia na rdzeniu toroidalnym o dużej przenikalności. W związku z tym, że uzwojenia są nawinięte w przeciwnych kierunkach, zaburzenia różnicowe nawzajem się znoszą. W rezultacie tylko indukcyjność rozproszenia tłumi prądy różnicowe (rys. 3).

Rys. 3. Dławik tłumi prądy wspólne

Z kolei w przypadku zaburzeń asymetrycznych prądy w dwóch uzwojeniach rozchodzą się w tym samym kierunku. Strumień indukowany w rdzeniu dławika jest sumą strumieni indukowanych w obydwu uzwojeniach. Indukcyjność każdego uzwojenia tłumi więc prądy wspólne.

Kondensatory Cy tłumią zaburzenia wspólne, nie wpływają natomiast na zaburzenia różnicowe. Kondensatory Cx tłumią z kolei wyłącznie zaburzenia różnicowe.

Kondensatory bocznikujące

Odseparowanie zaburzeń z zasilacza od obciążenia zapewnia obwód bocznikujący (bypass). Często jest on utożsamiany z obwodem odsprzęgającym (decoupling). Jest to błędne założenie, ponieważ pełnią one różne funkcje.

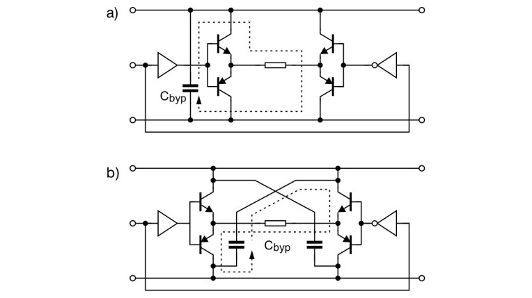
Obwód bocznikujący ogranicza przepływ prądów wysokiej częstotliwości w ścieżce o wysokiej impedancji przez jej bocznikowanie za pomocą obejścia. Zazwyczaj jest to kondensator (Cbyp na rys. 4a). Jego zadaniem jest zmniejszenie prądu zaburzeń w liniach zasilających.

Rys. 4. Obejście a) i odsprzęganie b)

Odprzęganie z kolei ma na celu odizolowanie dwóch obciążeń zasilanych z jednego źródła. Obwód odsprzęgający to przeważnie filtr dolnoprzepustowy uzupełniony o obejście (Ldec, Cdec i Cbyp na rys. 4b). Zapobiega on przenoszeniu zaburzeń między różnymi obciążeniami.

Generalnie częściej wymagane jest wprowadzenie obejścia niż odsprzęganie. Trzeba też pamiętać, że zastosowanie odsprzęgania nie zapewni obejścia, a może mieć nieprzewidziane skutki. By obie techniki stosować odpowiednio do potrzeb, trzeba je dobrze rozumieć i rozróżniać.

Na czym polega obejście?

W związku ze skończoną szerokością pasma przenoszenia zasilaczy ich impedancja wyjściowa zwiększa się wraz z częstotliwością. Na schemacie zastępczym można to zamodelować jako cewkę połączoną szeregowo z wyjściem. Jej indukcyjność wynosi typowo kilka mikrohenrów. Uwzględnić trzeba również indukcyjność przewodów (ścieżek) zasilających.

Jeżeli podłączone jest obciążenie, skutkiem jego zmieniającego się w czasie zapotrzebowania na prąd jest napięcie zaburzeń odkładające się na cewce. Można je zmniejszyć na dwa sposoby: albo ograniczając szybkość zmiany prądu płynącego przez cewkę, albo zmniejszając jej indukcyjność. Bocznikowanie pozwala osiągnąć pierwszy efekt.

Kondensator zapewnia ścieżkę, obejście, o małej impedancji dla sygnałów wysokiej częstotliwości zmieniającego się prądu obciążenia. Warunek skutecznego bocznikowania to zapewnienie ścieżki powrotnej, która nie będzie wspólna z żadną inną częścią obwodu. Przykład prawidłowej realizacji obejścia przedstawiono na rysunku 5.

Rys. 5. Prawidłowe obejście+

Ścieżka obejścia powinna mieć znacznie mniejszą impedancję dla częstotliwości w danym zakresie niż przewody zasilające. Generalnie lepiej jest też wykorzystać kilka kondensatorów o mniejszych pojemnościach połączonych równoległe niż jeden kondensator o większej pojemności. Dzięki temu zastępcza indukcyjność pasożytnicza będzie mniejsza. Trzeba się także upewnić, że ścieżka prądu powrotnego będzie miała pożądany przebieg. Często nie jest to niestety takie oczywiste. Na rysunku 6a przedstawiono przykład nieprawidłowo zrealizowanego obejścia, a na rys. 6b poprawiony układ bocznikowy.

Rys. 6. Nieprawidłowo a) i prawidłowo b) zrealizowane obejście

Drugi ze wspomnianych sposobów ograniczenia zaburzeń, jakim jest zmniejszenie indukcyjności zastępczej zasilacza, można uzyskać na dwa sposoby – na etapie projektowania zasilacza albo przez ograniczenie indukcyjności przewodów (ścieżek) zasilania. To ostatnie również można zrealizować na dwa sposoby: przez zmniejszenie ich indukcyjności własnych albo zwiększenie indukcyjności wzajemnej. Indukcyjność własną można zmniejszyć, zmniejszając długość przewodu, zwiększając jego promień lub prowadząc wiele izolowanych przewodów. Aby zwiększyć wzajemne sprzężenie między ścieżkami, należy zmniejszyć odległość między nimi lub zwiększyć ich szerokość.

Odsprzęganie

Jeśli zachodzi potrzeba odizolowania jednego obwodu od zaburzeń innego, należy zmniejszyć liczbę współdzielonych przez nie ścieżek zasilania. Gdy to nie wystarczy, trzeba zastosować odsprzęganie. Ogranicza ono przepływ zaburzeń na dwa sposoby (rys. 7).

Rys. 7. Ścieżki prądu zaburzeń w obwodzie odsprzęgania

Po pierwsze, w związku z tym, że częścią obwodu odsprzęgania jest komponent o dużej impedancji połączony szeregowo z zasilaniem, wspomaga on obejście, zapewniając, że prąd zaburzeń popłynie przez element bocznikujący o małej impedancji. Dodatkowo obwód odsprzęgania działa jak filtr dolnoprzepustowy, dzięki czemu składowe wysokiej częstotliwości prądu, który przepływa przez komponent szeregowy, zostaną stłumione.

Element szeregowy może być rezystorem, jeżeli spadek napięcia na nim nie stanowi problemu, albo cewką indukcyjną albo ich połączeniem. Czasami można nawet wprowadzić obwód rezonansowy, jeżeli zaburzenia są skoncentrowane na jednej częstotliwości.

Wartości komponentów obwodu odsprzęgania trzeba dobierać pod kątem częstotliwości zaburzeń i impedancji od strony obciążenia. Zazwyczaj wybiera się cewkę o dużej indukcyjności, by zapewnić odpowiednią izolację. Wymaga to jednak włączenia kondensatora obejściowego o stosownie dużej pojemności, aby utrzymać impedancję wyjściową na rozsądnym poziomie. To zwiększa rozmiary i koszt obwodu odsprzęgania. Dlatego najlepiej jest wybrać najmniejszą indukcyjność, która zarazem zapewni wymaganą izolację. Alternatywą pojedynczej cewki szeregowej może być wielosekcyjny filtr drabinkowy.

Koraliki ferrytowe

Skuteczne filtrowanie zaburzeń zasilaczy zapewniają również koraliki ferrytowe. Są to komponenty pasywne, które rozpraszają w postaci ciepła zaburzenia wysokoczęstotliwościowe w określonym przedziale częstotliwości, w którym ich impedancja ma charakter rezystancyjny. Żeby w pełni wykorzystać potencjał koralików ferrytowych, unikając problemów, takich jak rezonans, trzeba dobrze zrozumieć ich specyfikę.

Rys. 8. Schemat zastępczy koralika ferrytowego

Na rysunku 8 przedstawiono schemat zastępczy koralika ferrytowego składający się z rezystorów RDC i RAC, cewki LBEAD odpowiadającej indukcyjność koralika oraz kondensatora CPAR odpowiadającego jego pojemności pasożytniczej. Na rysunku 9 przedstawiono przykładową charakterystykę impedancji elementu tego typu. Wyróżnia się na niej trzy obszary: indukcyjny, rezystancyjny i pojemnościowy. Obszar rezystancyjny występuje dla częstotliwości w zakresie od tej, przy której X = R, do częstotliwości wyznaczającej początek obszaru pojemnościowego, dla której wartość bezwzględna reaktancji pojemnościowej |–X| jest równa R.

Rys. 9. Charakterystyka impedancji koralika ferrytowego

Na rysunku 9 przedstawiono przykładową charakterystykę impedancji elementu tego typu. Wyróżnia się na niej trzy obszary: indukcyjny, rezystancyjny i pojemnościowy. Obszar rezystancyjny występuje dla częstotliwości w zakresie od tej, przy której X = R, do częstotliwości wyznaczającej początek obszaru pojemnościowego, dla której wartość bezwzględna reaktancji pojemnościowej |–X| jest równa R.

Model koralika ferrytowego jest przydatny w projektowaniu i analizie obwodów filtracji zaburzeń. Przykładowo przybliżenie jego indukcyjności pozwala wyznaczyć częstotliwość rezonansową w obwodzie koralika z kondensatorem odsprzęgającym. Rezonans w takim układzie jest szkodliwy, ponieważ powoduje wzmocnienie tętnień i innych zaburzeń, zamiast ich tłumienia.

Rys. 10. Różne sposoby ograniczania wpływu zaburzeń w zasilaczach

Monika Jaworowska

Zobacz więcej w kategorii: Technika
Mikrokontrolery i IoT
Czym jest RED-DA i dlaczego ma znaczenie dla oznakowania CE?
Projektowanie i badania
Darmowe i otwarte narzędzia do projektowania układów scalonych
Elektromechanika
Druk 3D w praktyce inżynierskiej: technologie, narzędzia i wyzwania
PCB
PCBWay - prototypy w 24 godziny
PCB
PCB: druk 3D prototypów i DFM w krótkich seriach
Elektromechanika
Jak wózek do drukarki 3D może wpłynąć na komfort pracy z technologią druku trójwymiarowego?
Zobacz więcej z tagiem: Zasilanie
Targi krajowe
Future Energy Week Poland 2026 - 2. edycja
Targi krajowe
Targi Energetyczne ENERGETICS 2026
Gospodarka
Przełom w zasilaniu czy nowa iluzja - realme wprowadza baterię o pojemności 10 001 mAh

Projektowanie układów chłodzenia w elektronice - metody obliczeniowe i symulacyjne

Rosnące straty mocy w nowoczesnych układach elektronicznych sprawiają, że zarządzanie temperaturą przestaje być jedynie zagadnieniem pomocniczym, a staje się jednym z kluczowych elementów procesu projektowego. Od poprawnego odprowadzania ciepła zależy nie tylko spełnienie dopuszczalnych warunków pracy komponentów, lecz także długoterminowa niezawodność urządzenia, jego trwałość oraz zgodność z obowiązującymi normami. W niniejszym artykule przedstawiono uporządkowane podejście do projektowania układów chłodzenia, obejmujące metody obliczania strat mocy, analizę termiczną oraz wykorzystanie narzędzi symulacyjnych, w tym modeli cieplnych implementowanych w środowiskach symulacji elektrycznych.
Zapytania ofertowe
Unikalny branżowy system komunikacji B2B Znajdź produkty i usługi, których potrzebujesz Katalog ponad 7000 firm i 60 tys. produktów