IX4352NEAU to sterownik bramek tranzystorów SiC MOSFET i IGBT do zastosowań motoryzacyjnych, pracujący w układzie low-side. Uzyskał kwalifikację AEC-Q100 (Grade 1), potwierdzającą jego dużą odporność na pracę w ekstremalnych warunkach, w tym w temperaturze z zakresu od -40 do +125°C. Jest zamykany w obudowie SOIC-16 o zwiększonej przewodności cieplnej, umożliwiającej szybkie odprowadzanie ciepła przy pracy w układach o dużej gęstości mocy. Zapewnia odporność na wyładowania ESD do ±2 kV (HBM).
IX4352NEAU może być zasilany napięciem o zakresie od VSS do VDD do 35 V. Jest w stanie generować również ujemne napięcia sterujące bramką w zakresie do -10 V. Pozwala to na zwiększenie odporności na szybkie impulsy przepięciowe i zapewnia skuteczniejszą ochronę przed niepożądanym, samoczynnym włączaniem tranzystorów. Ponadto, eliminuje konieczność stosowania zewnętrznego źródła napięcia ujemnego lub dodatkowego konwertera DC-DC.
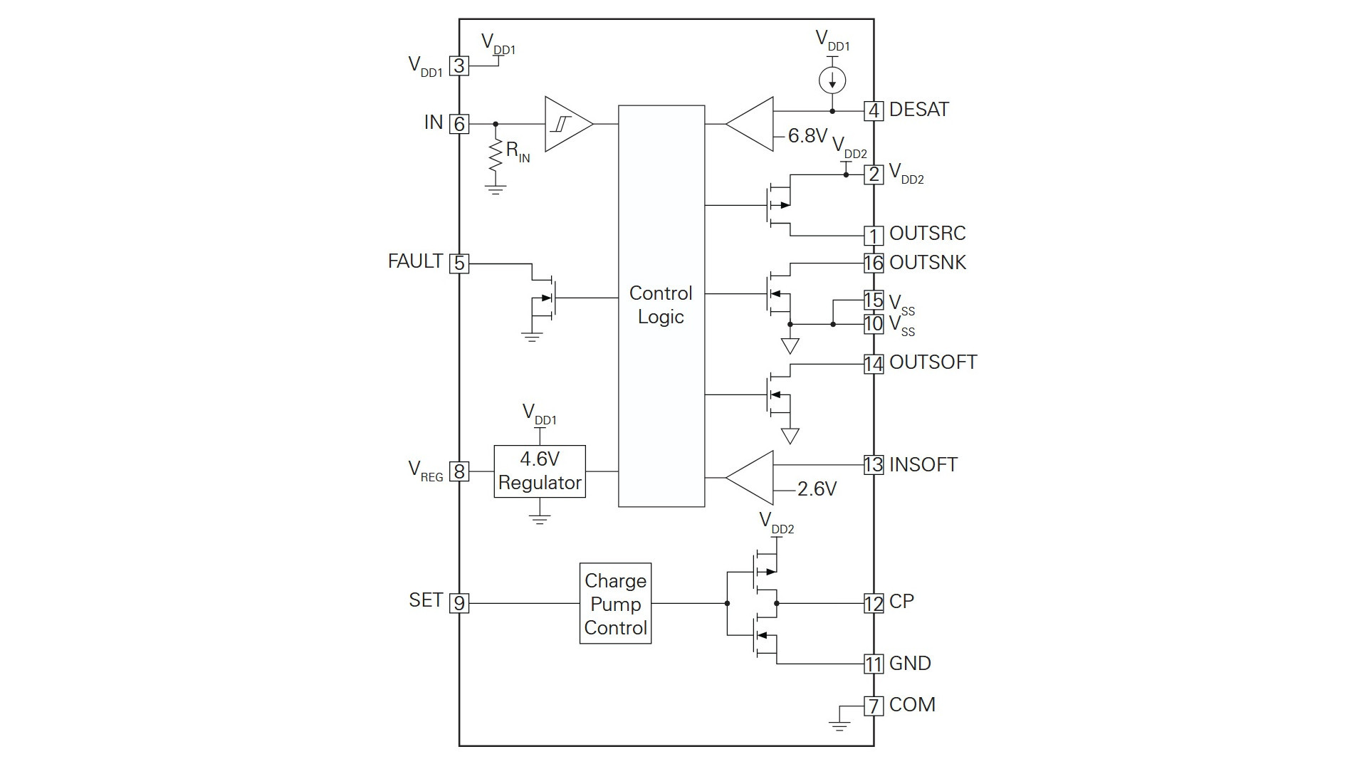
IX4352NEAU zawiera oddzielne wyjścia sterujące sink i source o wydajności prądowej 9 A, co umożliwia optymalizację czasów przełączania i ograniczenie strat komutacyjnych w zależności od charakterystyki użytego tranzystora. Wejście logiczne IN pracuje w trybie nieodwracającym i jest kompatybilne z poziomami TTL oraz CMOS, tolerując sygnały do 7 V.

W układzie zaimplementowano wiele zabezpieczeń, chroniących zarówno tranzystor mocy, jak i sam sterownik. Są to m.in. detektor nasycenia, zabezpieczenie podnapięciowe, zabezpieczenie termiczne oraz układ miękkiego wyłączenia (soft shutdown), ograniczający gwałtowne zmiany napięcia i ryzyko uszkodzenia elementu. Wyjście sygnalizacyjne Fault umożliwia przekazanie informacji o stanie awaryjnym do współpracującego mikrokontrolera.
Więcej na: www.littelfuse.com