Produkcja elektroniki
PCB
Komponenty
Zasilanie
Elektromechanika
Komunikacja
Mikrokontrolery i IoT
Optoelektronika
Pomiary
Projektowanie i badania
Rynek
Firmy
Produkty
Gospodarka
Raporty
Wywiady
Technika
Opinie
Puls branży
Kalendarium
Magazyn
Dla firm
Strona Główna
»
Produkty
»
Podzespoły elektroniczne
»
Podzespoły półprzewodnikowe
Produkty
Kategorie
Produkcja elektroniki
Usługi CEM/EMS
Obwody drukowane
Obudowy dla urządzeń
Urządzenia i wyposażenie produkcji
Materiały do produkcji
Narzędzia ręczne
Oprogramowanie projektowe
Laboratoria pomiarowe i badawcze
Biura inżynierskie
Usługi
Automatyka przemysłowa
Automatyzacja procesów
Komponenty automatyki
Aparatura pomiarowa
Aparatura elektroniczna
Aparatura energetyczna
Mierniki wielkości nieelektrycznych
Systemy pomiarowe
Sprzęt i usługi kalibracji
Podzespoły elektroniczne
Podzespoły półprzewodnikowe
Podzespoły energoelektroniczne
Podzespoły elektromechaniczne
Elementy optoelektroniczne
Podzespoły pasywne
Moduły elektroniczne OEM
Źródła zasilania
Oświetlenie LED
Przeglądaj kategorie
Złóż zapytanie ofertowe
Zobacz katalog firm
Podzespoły półprzewodnikowe
Sterownik bramek tranzystorów SiC MOSFET i IGBT do zastosowań motoryzacyjnych
Mikrokontrolery do układów napędowych w cenie poniżej 0,50 USD
Konwerter DC-DC step-down z podwójnym wejściem i funkcją monitorowania stanu akumulatora
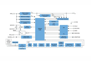
48-woltowe układy eFuse i płytka kontrolera hot-swap do systemów zasilania o napięciu 400 V i 800 V
Nowe grupy szybkich mikrokontrolerów rodziny RA8 z 1 MB pamięci MRAM
Jednokierunkowy przełącznik linii VBUS do systemów zgodnych ze standardem USB Power Delivery 3.1
Kontroler DC-DC buck o zwiększonej odporności na promieniowanie z wbudowanym sterownikiem bramek
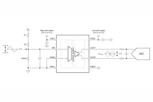
2-kanałowe izolatory cyfrowe o dużej stabilności i odporności na zaburzenia elektryczne
32-bitowy mikrokontroler ARM Cortex z certyfikacją w.cz. i kontrolerem interfejsów dotykowych
Podwójny wzmacniacz operacyjny J-FET do high-endowych aplikacji audio
Dioda Schottky’ego o małym napięciu przewodzenia i małym prądzie wstecznym
600-woltowe tranzystory n-MOSFET o minimalnych stratach przy pracy impulsowej
Przetwornice DC-DC buck do samochodowych systemów zasilania PoL z szyną 48 V
Szerokopasmowe wzmacniacze current-sense do systemów napędowych i zasilających
Pierwsze 100-woltowe tranzystory mocy GaN z kwalifikacją AEC-Q101
48-kanałowy sterownik diod LED do samochodowych systemów oświetleniowych
Mikrokontrolery "bezprzewodowe" z transceiverem z Bluetooth LE 5.4 do elektroniki samochodowej
Kontroler bezpieczeństwa odporny na ataki ze strony komputerów kwantowych
"Samochodowe" diody Zenera na napięcia 5,6...36 V w obudowach o powierzchni 1,6 x 0,8 mm
Wysokonapięciowy wzmacniacz operacyjny o dużym współczynniku slew rate
400- i 440-woltowe tranzystory MOSFET SiC do zasilaczy UPS, wzmacniaczy klasy D i napędów
6-osiowy inercyjny moduł pomiarowy IMU zgodny z wymogami normy IEC 61508 SIL1
Sterownik bramek tranzystorów MOSFET i IGBT z izolacją pojemnościową 2,5 kV
Kontroler diody idealnej z ogranicznikiem napięcia niewymagający zewnętrznej diody TVS
4-kanałowy kondycjoner sygnałów z termopar z interfejsem I²C
Podwójne tranzystory SiC MOSFET w obudowach DOT-247-7L do zasilaczy UPS i falowników
Wzmacniacz operacyjny CMOS do aplikacji energooszczędnych o ograniczonej przestrzeni montażowej
100-woltowy n-kanałowy MOSFET rozmiaru 6,1 x 5,15 mm o rezystancji RDS(ON) równej 2,7 mΩ
Tranzystory MOSFET OptiMOS 7 do zastosowań w elektronice przemysłowej i użytkowej
Seria mikrokontrolerów do zaawansowanych aplikacji z sektora automatyki i robotyki
1
2
3
4
5
6
7
...
146