Produkcja elektroniki
PCB
Komponenty
Zasilanie
Elektromechanika
Komunikacja
Mikrokontrolery i IoT
Optoelektronika
Pomiary
Projektowanie i badania
Rynek
Firmy
Produkty
Gospodarka
Raporty
Wywiady
Technika
Opinie
Puls branży
Kalendarium
Magazyn
Dla firm
Strona Główna
»
Produkty
»
Podzespoły elektroniczne
Produkty
Kategorie
Produkcja elektroniki
Usługi CEM/EMS
Obwody drukowane
Obudowy dla urządzeń
Urządzenia i wyposażenie produkcji
Materiały do produkcji
Narzędzia ręczne
Oprogramowanie projektowe
Laboratoria pomiarowe i badawcze
Biura inżynierskie
Usługi
Automatyka przemysłowa
Automatyzacja procesów
Komponenty automatyki
Aparatura pomiarowa
Aparatura elektroniczna
Aparatura energetyczna
Mierniki wielkości nieelektrycznych
Systemy pomiarowe
Sprzęt i usługi kalibracji
Podzespoły elektroniczne
Podzespoły półprzewodnikowe
Podzespoły energoelektroniczne
Podzespoły elektromechaniczne
Elementy optoelektroniczne
Podzespoły pasywne
Moduły elektroniczne OEM
Źródła zasilania
Oświetlenie LED
Przeglądaj kategorie
Złóż zapytanie ofertowe
Zobacz katalog firm
Podzespoły elektroniczne
Zintegrowany czujnik radarowy FMCW do energooszczędnych aplikacji IoT
48-woltowe układy eFuse i płytka kontrolera hot-swap do systemów zasilania o napięciu 400 V i 800 V
Nowe grupy szybkich mikrokontrolerów rodziny RA8 z 1 MB pamięci MRAM
Jednokierunkowy przełącznik linii VBUS do systemów zgodnych ze standardem USB Power Delivery 3.1
Kontroler DC-DC buck o zwiększonej odporności na promieniowanie z wbudowanym sterownikiem bramek
Pierwszy magnetyczny czujnik prądu TMR o paśmie 10 MHz
Warstwowe kondensatory MLCC o dużej wytrzymałości termicznej i mechanicznej
2-kanałowe izolatory cyfrowe o dużej stabilności i odporności na zaburzenia elektryczne
Termistory PTC do ograniczania prądu rozruchowego i ochrony przeciążeniowej
32-bitowy mikrokontroler ARM Cortex z certyfikacją w.cz. i kontrolerem interfejsów dotykowych
Miniaturowe enkodery inkrementalne o powierzchni 6,4 x 4,9 mm i grubości 2,5 mm
Sprężynowe styki pogo pin o prądzie znamionowym do 25 A i dużej niezawodności mechanicznej
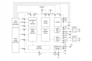
Podwójny wzmacniacz operacyjny J-FET do high-endowych aplikacji audio
Dioda Schottky’ego o małym napięciu przewodzenia i małym prądzie wstecznym
Miniaturowe przekaźniki kontaktronowe do wysokonapięciowych aplikacji dużej mocy
Odbiornik GNSS do synchronizacji czasu w aplikacjach wymagających dużej odporności na zakłócenia
600-woltowe tranzystory n-MOSFET o minimalnych stratach przy pracy impulsowej
Jednorzędowe złącza przewód-płytka o dużej odporności na wibracje
1400-woltowe tranzystory CoolSiC MOSFET G2 do aplikacji o dużej gęstości mocy i dużej sprawności
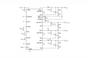
Przetwornice DC-DC buck do samochodowych systemów zasilania PoL z szyną 48 V
Niezawodne 150-watowe transformatory planarne do pracy w przetwornicach forward o napięciu do 28 V
Szerokopasmowe wzmacniacze current-sense do systemów napędowych i zasilających
Pierwsze 100-woltowe tranzystory mocy GaN z kwalifikacją AEC-Q101
Kondensatory MLCC 8,2...47 µF/25...100 V do zastosowań wojskowych, lotniczych i kosmicznych
Moduł rozszerzający Click do systemów embedded z komunikacją w technologii NB-IoT
48-kanałowy sterownik diod LED do samochodowych systemów oświetleniowych
50-watowy grubowarstwowy rezystor mocy do zastosowań w motoryzacji
Mikrokontrolery "bezprzewodowe" z transceiverem z Bluetooth LE 5.4 do elektroniki samochodowej
System nuSIM do modułów komunikacyjnych serii nRF91
Kontroler bezpieczeństwa odporny na ataki ze strony komputerów kwantowych
1
2
3
4
5
6
7
...
344