Metody pomiaru mocy biernej

Współczesna elektroenergetyka przechodzi fundamentalną metamorfozę, napędzaną przez dwa równoległe procesy: dekarbonizację źródeł wytwórczych oraz cyfryzację systemów dystrybucji. W tym dynamicznym krajobrazie precyzyjny pomiar parametrów sieci przestaje być jedynie rutynowym zadaniem metrologicznym, a staje się krytycznym elementem strategii zarządzania efektywnością energetyczną i stabilnością systemu. Wśród wszystkich mierzonych wielkości, moc bierna zajmuje pozycję szczególną i najbardziej problematyczną. Warto zapoznać się z podstawowymi metodami pomiaru tej wielkości oraz wyzwaniami związanymi z realizacją tego zadania.

Posłuchaj
00:00

Moc bierna, tradycyjnie postrzegana przez pryzmat oscylacji energii między źródłem a odbiornikiem, wynikającej z przesunięcia fazowego, w epoce nieliniowych odbiorników energoelektronicznych wymyka się klasycznym definicjom. W świecie zdominowanym przez falowniki fotowoltaiczne, napędy o zmiennej prędkości obrotowej, zasilacze impulsowe oraz masowe oświetlenie LED proste sinusoidalne modele matematyczne stają się niewystarczające, a często wręcz mylące. Inżynierowie stają przed wyzwaniem zinterpretowania fizycznej natury zjawisk zachodzących w odkształconych torach prądowych.

Przykładowo odpowiedź na pytanie, czy niska wartość współczynnika mocy wynika z przesunięcia fazowego, które można skompensować kondensatorem, czy może jest efektem emisji wyższych harmonicznych, wymagających zastosowania aktywnych filtrów mocy, zależna jest bardzo często od przyjętej metodologii pomiarowej.

Rozróżnienie między mocą czynną P, będącą średnią wartością energii przekazywanej do obciążenia w jednostce czasu, a mocą bierną Q, reprezentującą amplitudę mocy oscylującej, jest fundamentem analizy obwodów zmiennoprądowych. Jednakże w rzeczywistych warunkach przemysłowych, relacja ta, opisana klasycznym trójkątem mocy (S² = P² + Q²), ulega znacznemu skomplikowaniu.

Pojawienie się mocy odkształcenia, mocy niesymetrii oraz nowych definicji normatywnych, takich jak te zawarte w standardzie IEEE 1459, wymusza na projektantach aparatury pomiarowej stosowanie zaawansowanych algorytmów cyfrowego przetwarzania sygnałów.

Ewolucja teorii mocy w układach AC

Aby poprawnie zaprojektować lub dobrać system pomiarowy, konieczne jest głębokie zrozumienie teoretycznych podstaw definiowania mocy, które ewoluowały wraz z rozwojem technologii odbiorników. Definicje i liczba mierzonych wartości są bezpośrednią pochodną przyjętego modelu matematycznego.

W idealnym świecie, gdzie napięcie i prąd są czystymi sinusoidami o stałej częstotliwości (np. 50 Hz), moc bierna jest wielkością jednoznaczną. Wynika ona z przesunięcia fazowego pomiędzy przebiegiem napięcia oraz prądu. W takim ujęciu moc bierna jest iloczynem wartości skutecznych napięcia i prądu oraz sinusa kąta przesunięcia fazowego:

Fizycznie wielkość ta opisuje energię, która jest okresowo magazynowana w polach magnetycznych (cewki) i elektrycznych (kondensatory) układu, a następnie zwracana do źródła. W ciągu jednego okresu sieci średnia wartość tej energii wynosi zero, co odróżnia ją od mocy czynnej. Wskazania klasycznych watomierzy i liczników indukcyjnych bazowały na tej właśnie zasadzie, wykorzystując moment obrotowy proporcjonalny do iloczynu strumieni magnetycznych przesuniętych w fazie.

Jednakże wraz z pojawieniem się pierwszych odbiorników nieliniowych (prostowniki rtęciowe, a później tyrystorowe), zauważono, że iloczyn Vrms·Irms (moc pozorna S) jest większy, niż wynikałoby to z sumy geometrycznej P i Q. Constantin Budeanu w 1927 roku zaproponował rozwiązanie tego problemu w dziedzinie częstotliwości, wprowadzając pojęcie mocy odkształcenia (distortion power, D). Zdefiniował on moc bierną całkowitą jako sumę mocy biernych poszczególnych harmonicznych:

gdzie Un oraz In da wartości skuteczne n-tej harmonicznej napięcia i prądu. To podejście domknęło bilans mocy pozornej wzorem:

Mimo swojej elegancji matematycznej, teoria ta spotkała się z krytyką. Wykazano, że suma mocy biernych harmonicznych nie ma jasnej interpretacji fizycznej i może prowadzić do błędnych wniosków kompensacyjnych – na przykład moc bierna całkowita wg Budeanu może wynosić zero, mimo że w obwodzie płyną znaczne prądy bierne poszczególnych harmonicznych, które niepotrzebnie obciążają sieć.

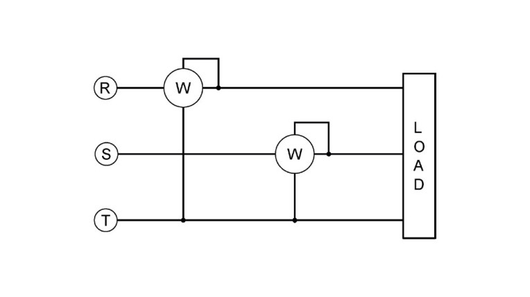
Rys. 1. Schemat układu pomiarowego Arona – R, S, T – fazy, W – watomierz, load – odbiornik

Teoria składowych fizycznych prądu (CPC) i podejście czasowe

Alternatywą dla podejścia częstotliwościowego (analiza harmoniczna) jest analiza w dziedzinie czasu, zapoczątkowana przez Stanisława Fryzego. Zaproponował on podział prądu na dwie ortogonalne składowe: czynną (odpowiadającą za transport energii użytecznej przy minimalnym prądzie) oraz bierną (resztkową).

Rozwinięciem tej koncepcji jest teoria składowych fizycznych prądu (CPC) opracowana przez L. Czarneckiego. Teoria ta dekomponuje wektor prądu na składowe, które mają bezpośrednie odzwierciedlenie w fizycznych zjawiskach zachodzących w odbiorniku:

  • Prąd czynny – związany z trwałą przemianą energii (P),
  • Prąd rozrzutu – wynikający ze zmiany konduktancji odbiornika w czasie,
  • Prąd bierny – związany z przesunięciem fazowym podstawowej harmonicznej,
  • Prąd niesymetrii – występujący w układach wielofazowych.

Podejście CPC, choć znacznie bardziej skomplikowane obliczeniowo i wymagające analizy całego pasma sygnału, daje inżynierom potężne narzędzie diagnostyczne. Pozwala precyzyjnie określić, czy źródłem strat w sieci jest niesymetria obciążenia, czy nieliniowość odbiornika, co z kolei determinuje dobór właściwego środka zaradczego (symetryzator vs. filtr aktywny).

Teoria p-q

W obszarze energoelektroniki i sterowania aktywnymi filtrami mocy (APF), dominującą pozycję zdobyła teoria chwilowej mocy biernej (instantaneous reactive power theory), znana jako teoria p-q, opracowana przez H. Akagiego. W przeciwieństwie do teorii bazujących na wartościach skutecznych (RMS) uśrednianych za okres, teoria p-q operuje w dziedzinie czasu rzeczywistego, wykorzystując transformatę Clarke’a. Definiuje ona chwilową moc czynną i chwilową moc urojoną (bierną). Kluczową zaletą tego podejścia jest brak opóźnień wprowadzanych przez uśrednianie, co pozwala na błyskawiczną reakcję układów kompensacyjnych na dynamiczne zmiany obciążenia. Jest to fundament działania nowoczesnych generatorów SVG oraz systemów FACTS.

Standard IEEE 1459: Nowy porządek metrologiczny

W odpowiedzi na rosnącą złożoność sygnałów w sieciach energetycznych opracowano standard IEEE 1459 "Standard definitions for the measurement of electric power quantities under sinusoidal, nonsinusoidal, balanced, or unbalanced conditions". Jest to obecnie najbardziej kompleksowy dokument kodyfikujący metodykę pomiarową dla nowoczesnej aparatury.

IEEE 1459 wprowadza fundamentalne rozróżnienie na:

  • Fundamental reactive power (Q1): Moc bierna związana wyłącznie z podstawową harmoniczną (50/60 Hz). Jest to wielkość, którą można i należy kompensować tradycyjnymi bateriami kondensatorów.
  • Non-active power (N): Szeroka kategoria obejmująca wszystkie składniki mocy, które nie wykonują pracy użytecznej. W jej skład wchodzi Q1, ale także moce odkształcenia prądu (DI) i napięcia (DV) oraz moce pozorne harmonicznych (SH).

To rozróżnienie ma kolosalne znaczenie praktyczne. Tradycyjny miernik, mierzący całkowitą moc bierną (często utożsamianą z N lub Qtot), może wskazywać wysoką wartość Q, sugerując konieczność dołączenia kondensatora. Jeśli jednak ta "moc bierna" w rzeczywistości składa się w 80% z mocy odkształcenia (D), dołączenie kondensatora nie tylko nie poprawi sytuacji, ale może doprowadzić do groźnego rezonansu z harmonicznymi sieci. Standard IEEE 1459 wymusza na producentach analizatorów separację tych wielkości, dając inżynierowi pełny obraz sytuacji.

Metody pomiaru w układach jednofazowych

Realizacja praktyczna pomiaru mocy biernej w układach jednofazowych jest z natury trudniejsza niż w układach wielofazowych, ponieważ nie dysponujemy naturalnym przesunięciem fazowym między przewodami, które mogłoby posłużyć jako odniesienie. Wymusza to stosowanie "sztucznych" metod przesuwania sygnałów.

Metody elektrodynamiczne i analogowe. W czasach poprzedzających nastanie ery cyfrowej podstawowym narzędziem do pomiaru mocy biernej był watomierz elektrodynamiczny. Jego moment obrotowy jest proporcjonalny do iloczynu prądu w cewce prądowej i prądu w cewce napięciowej oraz cosinusa kąta między nimi. Aby zmierzyć moc bierną, należało doprowadzić do cewki napięciowej prąd przesunięty o dokładnie 90 stopni względem napięcia mierzonego. W waromierzach (miernikach mocy biernej) realizowano to poprzez włączenie w obwód napięciowy cewki indukcyjnej (zamiast rezystora) lub specjalnych mostków R-L-C (tzw. układ Hummla).

Największą wadą tego rozwiązania jest bardzo silna zależność precyzji pomiaru od jego częstotliwości. Reaktancja indukcyjna zależy liniowo od częstotliwości. Waromierze były zatem kalibrowane dla konkretnej wartości częstotliwości. Jakiekolwiek odchylenie częstotliwości sygnału w sieci (co jest zjawiskiem częstym w przypadki infrastruktury przesyłowej gorszej jakości lub przy zasilaniu awaryjnym) wprowadzało znaczący błąd pomiarowy. Ponadto układy te bardzo słabo radziły sobie z harmonicznymi, gdyż impedancja cewki rośnie wraz z rzędem harmonicznej, co drastycznie tłumiło wyższe składowe napięcia.

Cyfrowe przetwarzanie sygnału. Współczesne liczniki energii i analizatory parametrów sieci nie wykorzystują ustrojów mechanicznych, lecz bazują na szybkim próbkowaniu napięcia i prądu za pomocą przetworników analogowo-cyfrowych. Standardem stały się przetworniki sigma-delta o rozdzielczości 16‒24 bitów, pozwalające na osiągnięcie bardzo dobrej dynamiki pomiarowej. Po zamianie sygnałów na postać cyfrową, stosuje się trzy główne strategie obliczania mocy biernej:

Metoda trójkąta mocy. Jest to najprostsza obliczeniowo metoda, stosowana w tańszych licznikach. Procesor oblicza:

  • Moc czynną P,
  • Wartości skuteczne napięcia oraz natężenia prądu,
  • Moc pozorną S, będącą iloczynem wartości skutecznej napięcia oraz natężenia,
  • Moc bierną z zależności:

Metoda ta zakłada, że cała różnica między mocą czynną a mocą pozorną to moc bierna. W rzeczywistości, zgodnie ze współczesnymi teoriami, wynik ten zawiera w sobie geometryczną sumę mocy biernej i mocy odkształcenia. Dla odbiorników liniowych (grzejnik, silnik) jest to akceptowalne. Jednak dla odbiornika nieliniowego (np. zasilacz komputerowy), metoda ta zarejestruje wysoką "moc bierną", podczas gdy w rzeczywistości jest to głównie moc odkształcenia.

Metoda ta zakłada, że cała różnica między mocą czynną a mocą pozorną to moc bierna. W rzeczywistości, zgodnie ze współczesnymi teoriami, wynik ten zawiera w sobie geometryczną sumę mocy biernej i mocy odkształcenia. Dla odbiorników liniowych (grzejnik, silnik) jest to akceptowalne. Jednak dla odbiornika nieliniowego (np. zasilacz komputerowy), metoda ta zarejestruje wysoką "moc bierną", podczas gdy w rzeczywistości jest to głównie moc odkształcenia.

Metoda opóźnienia czasowego. Metoda ta próbuje naśladować działanie waromierza analogowego w domenie cyfrowej. Próbki napięcia przechowywane są w buforze cyklicznym (FIFO) i odczytywane z opóźnieniem odpowiadającym ćwiartce okresu sieci. Dla 50 Hz opóźnienie to wynosi 5 ms. Następnie opóźnione próbki napięcia mnożone są przez bieżące próbki natężenia prądu.

Metoda jest niezwykle wrażliwa na stabilność częstotliwości. Jeśli częstotliwość sieci wzrośnie do 51 Hz, stałe opóźnienie czasowe przestanie odpowiadać 90º przesunięcia fazowego, wprowadzając błąd. W zaawansowanych implementacjach stosuje się algorytmy śledzenia chwilowej częstotliwości sygnału, które dynamicznie korygują liczbę próbek opóźnienia lub interpolują wartości między próbkami, aby utrzymać precyzję pomiaru.

Metoda przesuwnika Hilberta i filtracji cyfrowej. Jest to współcześnie najdokładniejsza i najbardziej popularna metoda pomiarowa. Wykorzystuje ona cyfrowy filtr (często implementację transformaty Hilberta), który przesuwa fazę każdej składowej częstotliwościowej o dokładnie 90°, zachowując jej amplitudę. Dzięki temu możliwe jest obliczenie mocy biernej zgodnie z definicją Budeanu lub IEEE 1459 z bardzo wysoką precyzją, niezależnie od zawartości harmonicznych. Transformata Hilberta generuje sygnał analityczny, co pozwala na precyzyjną separację mocy biernej podstawowej składowej częstotliwościowej od reszty pasma. Jest to rozwiązanie wymagające większej mocy obliczeniowej, ale niezbędne w licznikach klasy 0.2S i analizatorach jakości energii.

Metody pomiaru w układach trójfazowych

W układach trójfazowych inżynierowie dysponują szerszym wachlarzem metod pomiarowych, wykorzystując naturalne przesunięcia fazowe (120º) między przewodami. Wybór odpowiedniej metody jest jednak ściśle uzależniony od konfiguracji sieci (3-przewodowa vs. 4-przewodowa) oraz stopnia symetrii obciążenia.

Metoda jednego watomierza. W teorii dla układu idealnie symetrycznego (identyczne napięcia i obciążenia w każdej fazie), moc bierną całkowitą można wyznaczyć za pomocą jednego watomierza. Cewkę prądową włącza się w jedną fazę (np. L1), a cewkę napięciową podłącza się do napięcia międzyprzewodowego pozostałych faz (L2–L3).

Wektor napięcia U23 jest przesunięty o 90 stopni względem napięcia fazowego U1. Dzięki temu watomierz mierzy wielkość proporcjonalną do UL·IL·sin φ. Całkowitą moc bierną trójfazową otrzymuje się, mnożąc wskazanie przez pierwiastek z trzech:

Metoda ta jest obecnie stosowana niemal wyłącznie w celach dydaktycznych lub w bardzo specyficznych, kontrolowanych warunkach laboratoryjnych. W rzeczywistych sieciach przemysłowych, gdzie asymetria napięć rzędu 1‒2% jest normą, błąd tej metody jest nieakceptowalny.

Układ Arona (dwa watomierze). Metoda dwóch watomierzy (Arona) jest powszechnie stosowana w układach trójprzewodowych (bez przewodu neutralnego, np. sieci IT, zasilanie silników w trójkąt). Pozwala ona na pomiar mocy czynnej i biernej nawet przy niesymetrycznym obciążeniu, pod warunkiem, że suma prądów fazowych wynosi zero.

Dla mocy biernej, w przypadku symetrii napięć zasilających, obowiązuje wzór:

Gdzie P1 i P2 to wskazania poszczególnych watomierzy. Należy zachować szczególną ostrożność przy interpretacji znaków. Przy charakterze indukcyjnym obciążenia i kącie fazowym większym niż 60° jeden z watomierzy zaczyna wskazywać wartość ujemną ("cofa" licznik energii). W nowoczesnych analizatorach cyfrowych algorytm Arona jest zaimplementowany w oprogramowaniu sprzętowym, automatycznie uwzględniając znaki i obliczając wynikową wartość mocy biernej. Metoda ta jest jednak obarczona błędem w przypadku niesymetrii napięć zasilających, co ogranicza jej stosowanie w precyzyjnych rozliczeniach.

Metoda trzech watomierzy. W układach czteroprzewodowych oraz wszędzie tam, gdzie wymagana jest najwyższa precyzja pomiaru, stosuje się metodę trzech systemów pomiarowych. Każdy system mierzy niezależnie parametry jednej fazy względem ziemi/neutralnego.

W przypadku tej metody pojawia się pytanie, w jaki sposób należy sumować wyniki z trzech faz?

  • Sumowanie wektorowe – metoda ta traktuje system trójfazowy jako jedną całość fizyczną. Najpierw sumowane są moce czynne i bierne ze wszystkich faz:

Następnie wyliczana jest całkowita moc pozorna:

To podejście jest fizycznie poprawne z punktu widzenia bilansu energetycznego w punkcie przyłączenia (PCC). Jeśli w fazie L1 mamy pobór mocy biernej indukcyjnej (+10 kvar), a w fazie L2 oddawanie mocy biernej pojemnościowej (–10 kvar), to sumarycznie moc bierna wynosi 0. Z punktu widzenia transformatora nadrzędnego, moce poszczególnych faz się kompensują.

  • Sumowanie arytmetyczne. W tej metodzie oblicza się moc pozorną dla każdej fazy osobno:

A następnie sumuje się te moduły:

Podejście to jest często preferowane przez operatorów systemów dystrybucyjnych. Korzystając z przykładu: L1 (+10 kvar), L2 (–10 kvar), zauważyć można, że metoda arytmetyczna zsumuje moduły tych przepływów, wykazując znaczne obciążenie pozorne kabli, mimo że wektorowo moc bierna jest zerowa. Wiele nowoczesnych liczników pozwala na wybór trybu obliczeń.

Implementacja sprzętowa

Precyzja pomiaru zależy nie tylko od algorytmu, ale w równym stopniu od jakości toru analogowego. Błędy wprowadzone na etapie akwizycji danych są niemożliwe do usunięcia nawet przez najlepszy procesor DSP.

Przekładniki prądowe są najczęstszym elementem sprzęgającym w przemysłowych układach pomiarowych. Mają one jednak dość istotną wadę: wprowadzają przesunięcie fazowe między prądem pierwotnym a wtórnym. Błąd ten nie jest stały – zależy od obciążenia rdzenia i wartości jego nasycenia magnetycznego. Dla pomiaru mocy czynnej błąd kątowy rzędu pojedynczych stopni ma marginalne znaczenie (gdyż cosinus jest funkcją płaską w okolicy zera). Jednak przy pomiarze mocy biernej (lub czynnej przy małym PF), ten sam niewielki błąd przekłada się już na istotny błąd pomiarowy.

Nowoczesne układy scalone do liczników energii mają sprzętowe bloki kompensacji fazy. Pozwalają one na cyfrowe opóźnienie sygnału napięciowego lub prądowego z rozdzielczością rzędu mikrosekund, aby zniwelować błąd wnoszony przez CT. Proces kalibracji licznika wymaga więc nie tylko ustawienia wzmocnienia (gain), ale też korekcji fazy przy obciążeniu indukcyjnym.

W aplikacjach typu smart grid, gdzie natężenia prądu mogą sięgać wartości tysięcy amperów, a miejsce w rozdzielnicy jest ograniczone, coraz częściej stosuje się cewki Rogowskiego. Są to cewki powietrzne (bez rdzenia), nawijane na elastycznym toroidzie. Ich zaletą jest absolutna liniowość (brak nasycenia) i łatwość montażu. Wadą jest natura sygnału wyjściowego: jest to napięcie proporcjonalne do pochodnej natężenia prądu. Oznacza to, że sygnał jest przesunięty o 90º względem prądu i jego amplituda rośnie wraz z częstotliwością. Aby uzyskać poprawny pomiar, konieczne jest zastosowanie integratora. W przeszłości stosowano analogowe układy całkujące na wzmacniaczach operacyjnych, które jednak charakteryzowały się zauważalnym dryfem temperaturowym oraz zniekształcały sygnał pomiarowy. Obecnie czołowi producenci umieszczają integratory cyfrowe bezpośrednio w strukturze krzemowej przetworników ADC. Cyfrowy integrator jest stabilny, nie wprowadza szumów pomiarowych i zapewnia idealną charakterystykę częstotliwościową, co jest kluczowe dla poprawnego pomiaru mocy biernej z użyciem cewek Rogowskiego.

Podsumowanie

Pomiar mocy biernej przeszedł długą drogę od intuicyjnych koncepcji inżynierskich do zaawansowanej analizy matematycznej w przestrzeniach wielowymiarowych. Podczas projektowania oraz korzystania z tego typu układów pomiarowych należy mieć świadomość ograniczeń wykorzystywanego sprzętu oraz rozumieć naturę mierzonej wielkości. Proste liczniki mogą wprowadzać w błąd przy silnie odkształconych przebiegach, myląc moc bierną z mocą odkształcenia.

Warto przyswoić sobie również założenia standardu IEEE 1459. Staje się on niezbędnym językiem komunikacji w diagnostyce problemów jakości zasilania. Rozdzielenie mocy nieaktywnej na składowe fundamentalne i harmoniczne jest kluczem do doboru skutecznej kompensacji.

Należy mieć również świadomość, że współcześnie precyzyjny pomiar mocy biernej opiera się przede wszystkim na układach cyfrowych oraz DSP. Kluczowym aspektem jest realizacja zaawansowanych algorytmów DSP w czasie rzeczywistym, co pozwala na precyzyjny odczyt i sterowanie parametrami sieci.

Damian Tomaszewski

Zobacz więcej w kategorii: Technika
PCB
Wysoka gęstość pinów bez HDI - optymalizacja BGA w praktyce
Produkcja elektroniki
Stopy lutownicze - przegląd właściwości, zastosowań oraz nowych rozwiązań
Produkcja elektroniki
Stopy do lutowania niskotemperaturowego
Pomiary
Czujniki sejsmiczne w detekcji obiektów
Komunikacja
Obecność online firm przemysłowych: od wizytówki do funkcjonalnej strony internetowej
Komponenty
Temperatura jako kluczowy czynnik w nowoczesnej motoryzacji: rola materiałów termoprzewodzących
Zobacz więcej z tagiem: Pomiary
Prezentacje firmowe
Monitorowanie energii w Przemyśle 5.0 z wykorzystaniem rozwiązań Finder
Technika
Czujniki sejsmiczne w detekcji obiektów
Gospodarka
Wielofunkcyjny miernik parametrów sieci RMM-483-10-R jako element systemów zarządzania energią

Jak kompensować moc bierną w małej firmie, by płacić mniej za energię bierną?

Z reguły małej firmy nie stać na zakup automatycznego kompensatora mocy biernej. Niemniej, sytuacja nie jest bez wyjścia i w tym artykule na prostym przykładzie pokazane zostało podejście do rozwiązania problemu mocy biernej.
Zapytania ofertowe
Unikalny branżowy system komunikacji B2B Znajdź produkty i usługi, których potrzebujesz Katalog ponad 7000 firm i 60 tys. produktów